Views: 0 Author: Site Editor Publish Time: 2025-06-02 Origin: Site
| Table of contents |
1. What Is a Hot Runner System |
2. Types of Hot Runner Gates |
3. Quotation & Design Requirements |
4. Hot Runner Design Confirmation Process |
5. Key Design Considerations for Efficient Hot Runner Systems |
| 6. Hot Runner Design Best Practices |
In high-volume injection molding, a well-designed hot runner system is not only ensures material savings by reducing waste but also delivers faster cycle times, improved part consistency, and minimal post-processing. – making it essential for mass production and complex geometries.In this blog, we’ll answer that question by diving into “How to Design an Efficient Hot Runner System: Tips and Best Practices.” Whether you're an engineer, mold designer, or project manager, we hope you’ll gain valuable insights to help optimize your hot runner design, reduce defects, and improve productivity in plastic injection molding.

A hot runner system is a heated component of an injection mold that keeps plastic resin in a molten state from the injection unit to the mold cavity. Unlike cold runners, hot runners eliminate the need to trim solidified sprues and runners, saving material and labor.
Reduced material waste as no runners to trim or recycle
Faster cycle times to improve efficiency
Better surface finish and dimensional accuracy
Minimal post-processing required
Ideal for high-volume, consistent production
Higher initial mold cost
More complex design and maintenance
Requires precise temperature control and experienced operators
Understanding gate types is critical in optimizing your hot runner design. Below is a comparison of common hot runner gates:
Type of Hot Runner Gate | Key Characteristics | Advantages | Disadvantages |
Pin Gate (Point Gate) | - Direct injection onto the product surface with minimal gate vestige. | - No cold runner scrap. | - Potential drooling and stringing issues. |
- Small gate size, low shot volume, and multi-cavity/multi-point simultaneous injection capability. | - Supports multi-cavity and high-efficiency processes. | ||
Edge Gate (Sprue Gate) | - Gate size is flexible; can be placed on the product surface or runner. | - Low pressure loss. | - Drooling and stringing may occur. |
- Simple mold structure. | - Easy mold machining. | ||
Valve Gate | - Clean, aesthetically pleasing gate vestige with no drooling or stringing. | - Ideal for appearance-critical products. | - Higher complexity and cost. |
- Sequential injection timing or variable packing pressure to control weld line positions and quality. | - Enhances weld line control and product quality. |

Valve gate systems are preferred for precision parts and high-volume production due to their precise flow control and superior appearance quality.
Advantages of Valve gate systems:
Consistent Holding Pressure – Reduces defects by maintaining pressure until solidification.
Sequential Valve Control – Enables complex flow balance in multi-cavity or asymmetric molds.
Low-Pressure, High-Speed Injection – Allows larger gates without stringing.
Superior Surface Finish – Clean gate vestige for appearance-critical products.
Minimized Warpage – Lower internal stress improves dimensional stability.
Faster Cooling for Thin-Wall Parts – Larger gates reduce cycle times.
Since hot runner system design is typically handled independently by the hot runner supplier, it’s highly recommended to leverage their technical expertise to optimize the gating method and gate locations. In most cases, the hot runner supplier can also provide Mold Flow analysis to validate and refine the design.
To obtain an accurate hot runner quotation, the following information should be provided:
3D CAD files – Including part geometry, cavity layout, and mold structure above the A-plate.
Product specifications – Dimensions, part weight, and preferred gate locations.
Material type – Such as ABS, PC, PA66, etc.
Number of cavities – Essential for flow channel planning.
Color change requirements – Frequency affects hot runner design and cleaning strategy.
Preferred hot runner type – Specify whether you need an open gate or valve gate system.
Valve gate hot nozzle must be equipped with a heated nozzle sleeve.
The Hot runner system must be capable of color changes.
Tip: Involve the hot runner supplier early. Request Mold Flow Analysis to validate gate location and flow balance.
Once the hot runner supplier completes the design:
You will receive a 2D layout (and optionally a 3D model).
Carefully review and confirm the drawing before signing off.
After confirmation, no changes can be made – the system will be manufactured accordingly.


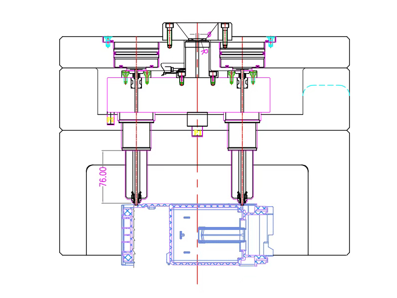
After receiving design feedback from the hot runner supplier (often in 2D or 3D format), you must revise the mold design to integrate the system effectively. Below are best practices:
Install guide pins between A-plate, manifold plate, and clamp plate.
Pin length should be ~20 mm longer than the hot nozzle for protection.
Add cooling channels to nozzle sleeves for better temperature stability.
Install O-rings on the end face to prevent assembly damage.
Position junction boxes to the side (left/right), avoiding interference with robot arms.
Prioritize during mold frame design:
Nozzle sealing diameter
Platform height
Nozzle head locating diameter
Cylinder & sealing surfaces
Positioning pin size
Non-critical dimensions can allow wider tolerances to reduce machining cost.
Wire outlet placement can be flexible – adjust freely for optimal routing.
Use independent air channels for valve gate cylinders and add water lines for cooling.
Add 20 mm x 2 mm vent slots in the clamping plate to prevent moisture accumulation.
Screw layout should refer to traditional mold bases.
If adding a fixed plate under the manifold, lock manifold + top plate + fixed plate together.
If no fixed plate: fasten manifold + top plate + A-plate directly.
Install an 8 mm thick insulation plate under the top plate.
Leave a 4 mm margin around the edges, and avoid placing screws in the center.
Place screws around the outer perimeter to secure.
Wire exit paths should include chamfered radii (R) to avoid sharp corners.
Recess wire pressure plates by 0.5–1.0 mm below the manifold plate surface to avoid damage and allow tight clamping.
Area | Best Practice Summary |
Early Design Input | Collaborate with hot runner suppliers at the initial stage |
Mold Flow Analysis | Helps optimize gate location and flow balance |
Precision Alignment | Use guide pins and critical dimension controls |
Efficient Cooling | Add water lines to sleeves and top plates |
Clean Layout | Position wires and junction boxes to avoid automation interference |
Confirm Drawings | Carefully review 2D/3D files from the supplier and avoid last-minute changes |
In Conclusion
Efficient hot runner injection mold design improves productivity, reduces waste, and ensures consistent product quality. It demands expert design and manufacturing skills. With 20+ years’ experience, Alpine Mold specializes in high-quality hot runner plastic injection molds, including multi-cavity and complex designs.
Want to know if a hot runner system is right for your next project? Partner with Alpine Mold to develop a more efficient and reliable injection molding solution—helping you accelerate time to market while ensuring superior product quality and performance.